ME系列无刷永磁同步电动机
首页 / 产品中心 / 风机电机 / ME系列无刷永磁同步电动机
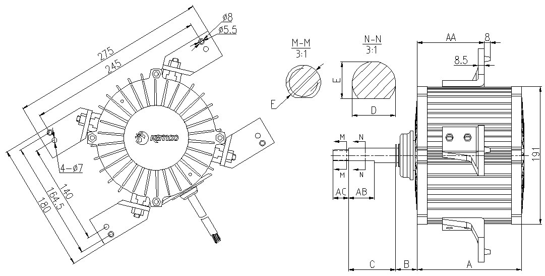
ME系列无刷永磁同步电动机

ME系列无刷永磁同步电动机

特点:

    1、电机使用直插式永磁转子结构,运行可靠,最高效率达到90%以上, 低速轻载效率基本在65%以上。

      2、驱动器采用磁链观测的先进无感驱动技术,实现风机可靠的启停和连续无级调速。

        3、驱动器与电机本体采用分体式形式。

        使用条件

        环境空气温度:-40 ℃~70℃

        海拔:≤1000m

        调速范围:200 ~1500 r/min

        工作方式:S1

        绝缘等级:F/H

        绕组温升:≤80k

        防护等级:IP54 ~IP66

        冷却方式:IC411

        旋转方向:CW或CCW

        关于我们
        浙江科贸控股集团有限公司

        科贸拥有三十年暖通空调轴流风机生产经验,是中国该领域突出的大型研发与制造企业。作为集中供暖和低温热泵系统的轴流风机供应商,科贸始终将创新与可靠性深度融合。

        凭借专业的研发团队和国家认证的高精度风机性能实验室,我们不仅能提供标准风机产品,更可针对特定需求定制解决方案——包括高静压、耐低温和低噪音等专项设计。

        此外,我们还是国家级高新技术企业、中国制冷空调工业协会会员单位、《暖通空调用轴流通风机》国家标准主起草单位、浙江制造《商用空调用轴流通风机》团标主起草单位。

        荣誉证书
        • 认证
        • 认证
        • 认证
        • 认证